EN 中文
Vybronics - one of largest suppliers of cylindrical & coin vibration motors

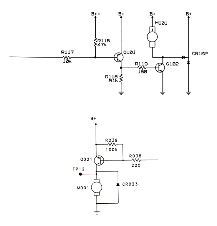
振动马达驱动电路示例

(仅适用于有刷式和无刷式直流振动马达,而不适应于线性振动马达LRA)

 

DRIVE CIRCUITS FOR VIBRATOR MOTORS

Top